Текущее время: 04.10.2025 14:26

Часовой пояс: UTC + 4 часа




Начать новую тему Ответить на тему  [ Сообщений: 31 ]  На страницу Пред.  1, 2, 3
Автор Сообщение
 Заголовок сообщения: Re: О ходовых огнях
СообщениеДобавлено: 12.01.2015 12:43 
Не в сети
Ст. Авенировод
Ст. Авенировод
Аватара пользователя

Зарегистрирован: 05.04.2014 04:29
Сообщения: 801
Откуда: Колпашево
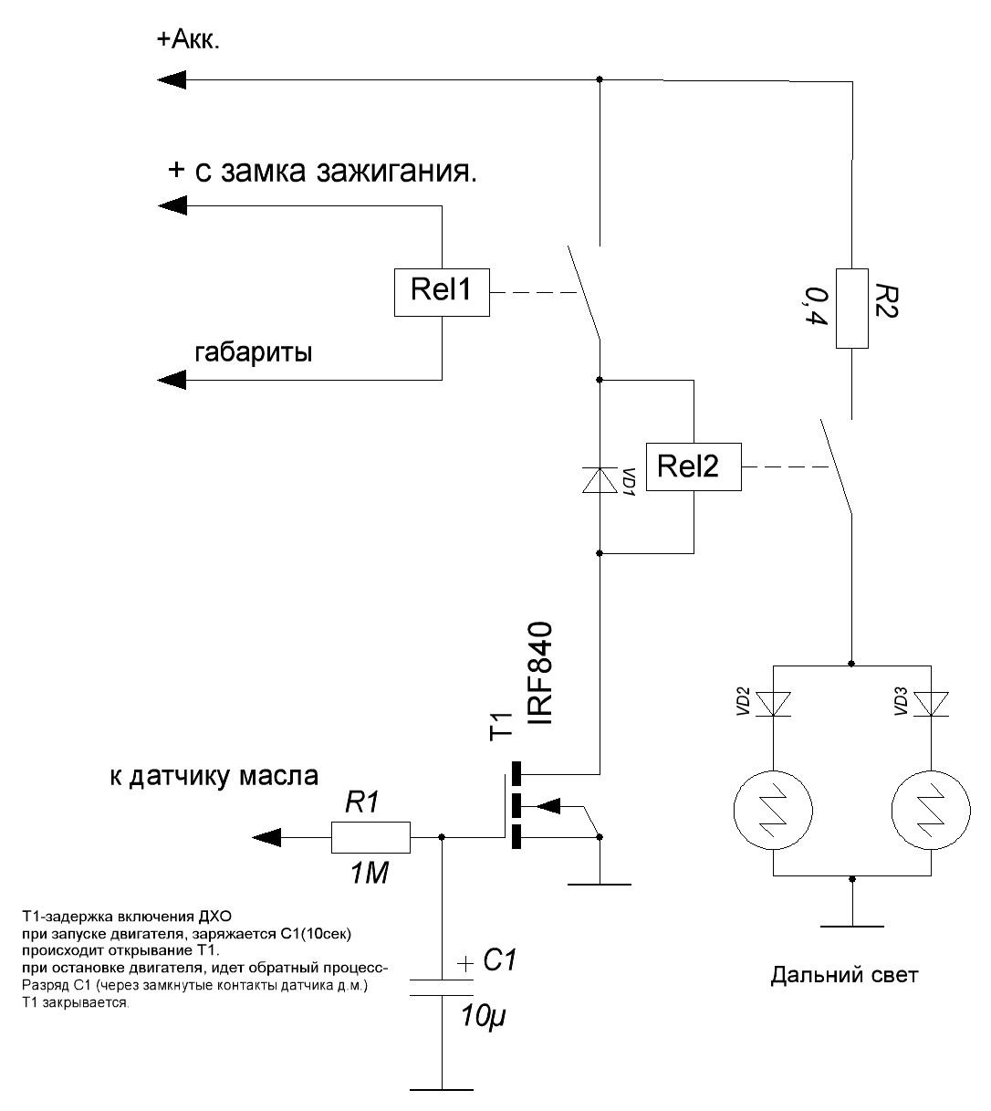
вот еще схемка. Маленько сплагиатничал, чуточку изменения в схеме сделал, такое устройство продается с автомагазинах.

пропустил слово на схеме в фразе "датчик давления масла".


Вложения:
ДХО на полевике.JPG
ДХО на полевике.JPG [ 97.25 КБ | Просмотров: 2174 ]

_________________
NISSAN EXPERT 4WD QG18 1.8л VNW11 2000г

Изображение
Вернуться к началу
 Профиль  
 
Показать сообщения за:  Поле сортировки  
Начать новую тему Ответить на тему  [ Сообщений: 31 ]  На страницу Пред.  1, 2, 3

Часовой пояс: UTC + 4 часа


Кто сейчас на конференции

Сейчас этот форум просматривают: нет зарегистрированных пользователей и гости: 19


Вы не можете начинать темы
Вы не можете отвечать на сообщения
Вы не можете редактировать свои сообщения
Вы не можете удалять свои сообщения
Вы не можете добавлять вложения

Найти:
Перейти:  
  Nissan Avenir Club © 2005-2021