Текущее время: 25.10.2025 11:13

Часовой пояс: UTC + 4 часа




Начать новую тему Ответить на тему  [ Сообщений: 39 ]  На страницу Пред.  1, 2, 3
Автор Сообщение
 Заголовок сообщения:
СообщениеДобавлено: 19.06.2006 02:18 
Не в сети
Мл. Авенировод
Мл. Авенировод
Аватара пользователя

Зарегистрирован: 14.03.2006 01:00
Сообщения: 222
Откуда: Москва
Нашел интересные ссылки про передаточные числа различных вариаторов. Там же и редкие фото.

http://www.vibratesoftware.com/html_help/html/Diagnosis/Reference/CVT_Transmissions.htm#Nissan
http://www.awd.ru/bb/viewtopic.php?p=168755&sid=bee73e63eee09c4a1166de5be00aa6d7

_________________
Nissan Avenir SalutX (GF-PNW11) конца 2001 г.в., SR20DE, HyperCVT, 4WD


Вернуться к началу
 Профиль  
 
 Заголовок сообщения: Re: Hyper CVT M6 + Sport режим.
СообщениеДобавлено: 16.11.2008 06:31 
Не в сети
Авенировод
Авенировод
Аватара пользователя

Зарегистрирован: 20.09.2008 17:21
Сообщения: 580
Откуда: Ангарск Ирк.обл.
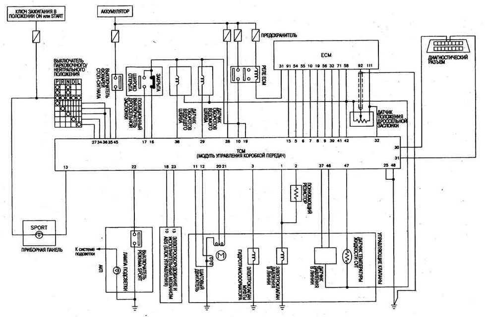
Skela и народ. Что то схема не показывается. :( Подскажите где этот ТСМ. За пепельницей вижу коробочку железную серебристую, это он? С правого бока подходит 2 шлейфа, в левом из них смотреть 22й контакт? Вроде это блок управления двигателем. Или я не то смотрю? Выложите ктонибудь схему ещё раз, плиз.

_________________
Nissan Avenir PW11 05.2002/SR20DE/145л.с./CVT-M6/спойлер спёрли с*ки

Изображение


Вернуться к началу
 Профиль  
 
 Заголовок сообщения: Re: Hyper CVT M6 + Sport режим.
СообщениеДобавлено: 16.11.2008 16:35 
Не в сети
Мл. Авенировод
Мл. Авенировод
Аватара пользователя

Зарегистрирован: 20.06.2008 00:00
Сообщения: 218
Откуда: Иркутск
Полезная ветка)


Вернуться к началу
 Профиль  
 
 Заголовок сообщения: Re: Hyper CVT M6 + Sport режим.
СообщениеДобавлено: 17.02.2010 08:51 
Не в сети
Ст. Авенировод
Ст. Авенировод
Аватара пользователя

Зарегистрирован: 03.08.2008 19:03
Сообщения: 834
Откуда: Улан-Удэ
Upнем темку =) выложите схему plz по подключению этой самой кнопочки =)

_________________
Изображение
Nissan Avenir 2001г/в GF-PW11 SR20DE 150л/с CVT-M6 г.Улан-Удэ ПРОДАН.
BMW E53 X5 3.0i ПРОДАН
BMW E70 X5 30d


Вернуться к началу
 Профиль  
 
 Заголовок сообщения: Re: Hyper CVT M6 + Sport режим.
СообщениеДобавлено: 17.02.2010 09:10 
Не в сети
Заслуженный Авенировод
Заслуженный Авенировод
Аватара пользователя

Зарегистрирован: 14.03.2007 01:00
Сообщения: 1949
Откуда: Новосибирск
ulan44 писал(а):
Upнем темку =) выложите схему plz по подключению этой самой кнопочки =)

Я так понимаю кнопка должна быть без самовозврата...


Вложения:
2.jpg
2.jpg [ 275.83 КБ | Просмотров: 7235 ]

_________________
Avenir Blastar, PNW11-501342;
SR20DE, CVT-M6; Спойлер, полка, поперечины на крыше, эл. доводчик 5-ой двери, защита картера, накидка в багажник,~220В.
Вернуться к началу
 Профиль  
 
 Заголовок сообщения: Re: Hyper CVT M6 + Sport режим.
СообщениеДобавлено: 17.02.2010 09:57 
Не в сети
Ст. Авенировод
Ст. Авенировод
Аватара пользователя

Зарегистрирован: 03.08.2008 19:03
Сообщения: 834
Откуда: Улан-Удэ
ЭЭЭ если я правильно понял что подключаемся на ТСМ к 22 контакту в разрыв ставим кнопку и второй контакт кнопки на кузов ?

_________________
Изображение
Nissan Avenir 2001г/в GF-PW11 SR20DE 150л/с CVT-M6 г.Улан-Удэ ПРОДАН.
BMW E53 X5 3.0i ПРОДАН
BMW E70 X5 30d


Вернуться к началу
 Профиль  
 
 Заголовок сообщения: Re: Hyper CVT M6 + Sport режим.
СообщениеДобавлено: 17.02.2010 10:57 
Не в сети
Заслуженный Авенировод
Заслуженный Авенировод
Аватара пользователя

Зарегистрирован: 14.03.2007 01:00
Сообщения: 1949
Откуда: Новосибирск
ulan44 писал(а):
ЭЭЭ если я правильно понял что подключаемся на ТСМ к 22 контакту в разрыв ставим кнопку и второй контакт кнопки на кузов ?

Силён в электрике!

_________________
Avenir Blastar, PNW11-501342;
SR20DE, CVT-M6; Спойлер, полка, поперечины на крыше, эл. доводчик 5-ой двери, защита картера, накидка в багажник,~220В.


Вернуться к началу
 Профиль  
 
 Заголовок сообщения: Re: Hyper CVT M6 + Sport режим.
СообщениеДобавлено: 17.02.2010 11:26 
Не в сети
Ст. Авенировод
Ст. Авенировод
Аватара пользователя

Зарегистрирован: 03.08.2008 19:03
Сообщения: 834
Откуда: Улан-Удэ
Такс еще вопрос как добраться до этого самого ТСМ без гемороя ? мож уже у кого есть так сказать тактика ?

_________________
Изображение
Nissan Avenir 2001г/в GF-PW11 SR20DE 150л/с CVT-M6 г.Улан-Удэ ПРОДАН.
BMW E53 X5 3.0i ПРОДАН
BMW E70 X5 30d


Вернуться к началу
 Профиль  
 
 Заголовок сообщения: Re: Hyper CVT M6 + Sport режим.
СообщениеДобавлено: 17.02.2010 14:57 
Не в сети
Мл. Авенировод
Мл. Авенировод
Аватара пользователя

Зарегистрирован: 20.08.2009 15:04
Сообщения: 193
Откуда: Санкт-Петербург
ulan44 писал(а):
Такс еще вопрос как добраться до этого самого ТСМ без гемороя ? мож уже у кого есть так сказать тактика ?


Есть практика на дорестайлинге :)
ТСМ нах-ся под центральной консолью и чтобы добраться нужно её снять, для этого снимаем бардак, под рулем , между сиденьями длинную где тоже типа бардака, и затем центральную консоль и вот оно счастье ;)

_________________
NISSAN AVENIR 1999 PW11 SR20DE
Изображение


Вернуться к началу
 Профиль  
 
Показать сообщения за:  Поле сортировки  
Начать новую тему Ответить на тему  [ Сообщений: 39 ]  На страницу Пред.  1, 2, 3

Часовой пояс: UTC + 4 часа


Кто сейчас на конференции

Сейчас этот форум просматривают: нет зарегистрированных пользователей и гости: 8


Вы не можете начинать темы
Вы не можете отвечать на сообщения
Вы не можете редактировать свои сообщения
Вы не можете удалять свои сообщения
Вы не можете добавлять вложения

Найти:
Перейти:  
  Nissan Avenir Club © 2005-2021